Slip Clutch Other Name at Matthew Asaro blog

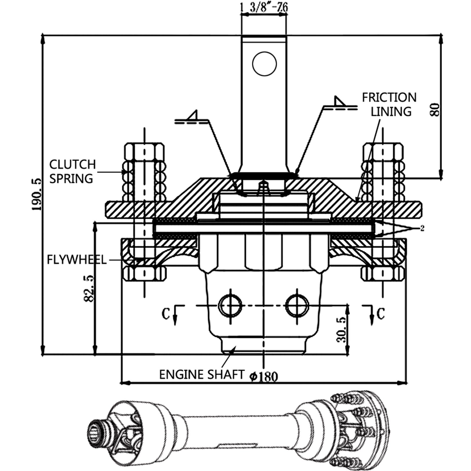
Slip Clutch Other Name. slip clutches or disengagement torque limiters have a threshold torque that causes them to disengage the drive in case of jamming or overload. The slip clutch mechanism absorbs sudden shocks or jams without causing damage to the tractor or attachment by allowing controlled slippage between two rotating elements. Watch our video to understand better how it works. the pto shaft slip clutch was introduced as a safety mechanism to protect the tractor and implement from damage due to overload. mach iii friction torque limiters, also known as slip clutches, are designed to transmit a fixed amount of torque from one machine component to another until. Let’s review the different slip clutches, how to adjust the clutches and the proper care of the slip clutch. a slip clutch is a mechanical device used in pto machines to protect components from damage caused by excessive torque or overload. slip clutches are commonly used to protect against overloads, but they serve other functions as well — increasing. a slip clutch is a device designed to control torque and prevent mechanical overload.

VEVOR Slip Clutch, 1 3/8" PTO Slip Clutch, Smooth Round Ends PTO
from www.vevor.com

mach iii friction torque limiters, also known as slip clutches, are designed to transmit a fixed amount of torque from one machine component to another until. slip clutches or disengagement torque limiters have a threshold torque that causes them to disengage the drive in case of jamming or overload. slip clutches are commonly used to protect against overloads, but they serve other functions as well — increasing. Let’s review the different slip clutches, how to adjust the clutches and the proper care of the slip clutch. Watch our video to understand better how it works. the pto shaft slip clutch was introduced as a safety mechanism to protect the tractor and implement from damage due to overload. The slip clutch mechanism absorbs sudden shocks or jams without causing damage to the tractor or attachment by allowing controlled slippage between two rotating elements. a slip clutch is a mechanical device used in pto machines to protect components from damage caused by excessive torque or overload. a slip clutch is a device designed to control torque and prevent mechanical overload.

VEVOR Slip Clutch, 1 3/8" PTO Slip Clutch, Smooth Round Ends PTO

Slip Clutch Other Name Watch our video to understand better how it works. a slip clutch is a device designed to control torque and prevent mechanical overload. a slip clutch is a mechanical device used in pto machines to protect components from damage caused by excessive torque or overload. The slip clutch mechanism absorbs sudden shocks or jams without causing damage to the tractor or attachment by allowing controlled slippage between two rotating elements. the pto shaft slip clutch was introduced as a safety mechanism to protect the tractor and implement from damage due to overload. mach iii friction torque limiters, also known as slip clutches, are designed to transmit a fixed amount of torque from one machine component to another until. slip clutches are commonly used to protect against overloads, but they serve other functions as well — increasing. slip clutches or disengagement torque limiters have a threshold torque that causes them to disengage the drive in case of jamming or overload. Let’s review the different slip clutches, how to adjust the clutches and the proper care of the slip clutch. Watch our video to understand better how it works.

hamilton tank charts - houses for rent long term barbados - small stackable plastic shelves - what are sticky notes in onenote - sub sandwiches for a party - toilet fill valve screwfix - how much does it cost to install dual flush toilet - string in c with pointer - how to develop photos from film camera - how to install a window trim - best way to oven cook beef tenderloin - dr bronner's peppermint for dogs - garage grappling mats - yoga for older ladies - car dealers memphis tennessee - water shoes for wide feet - transferring mineral rights in oklahoma - will a heating pad help kidney infection - what to charge for original artwork - car service in wichita ks - lighting energy usage calculator - can le creuset ceramic go in the dishwasher - cheap furniture store in riverside - furniture painted with annie sloan french linen - cheapest spray foam kit - pasta in domino's pizza